
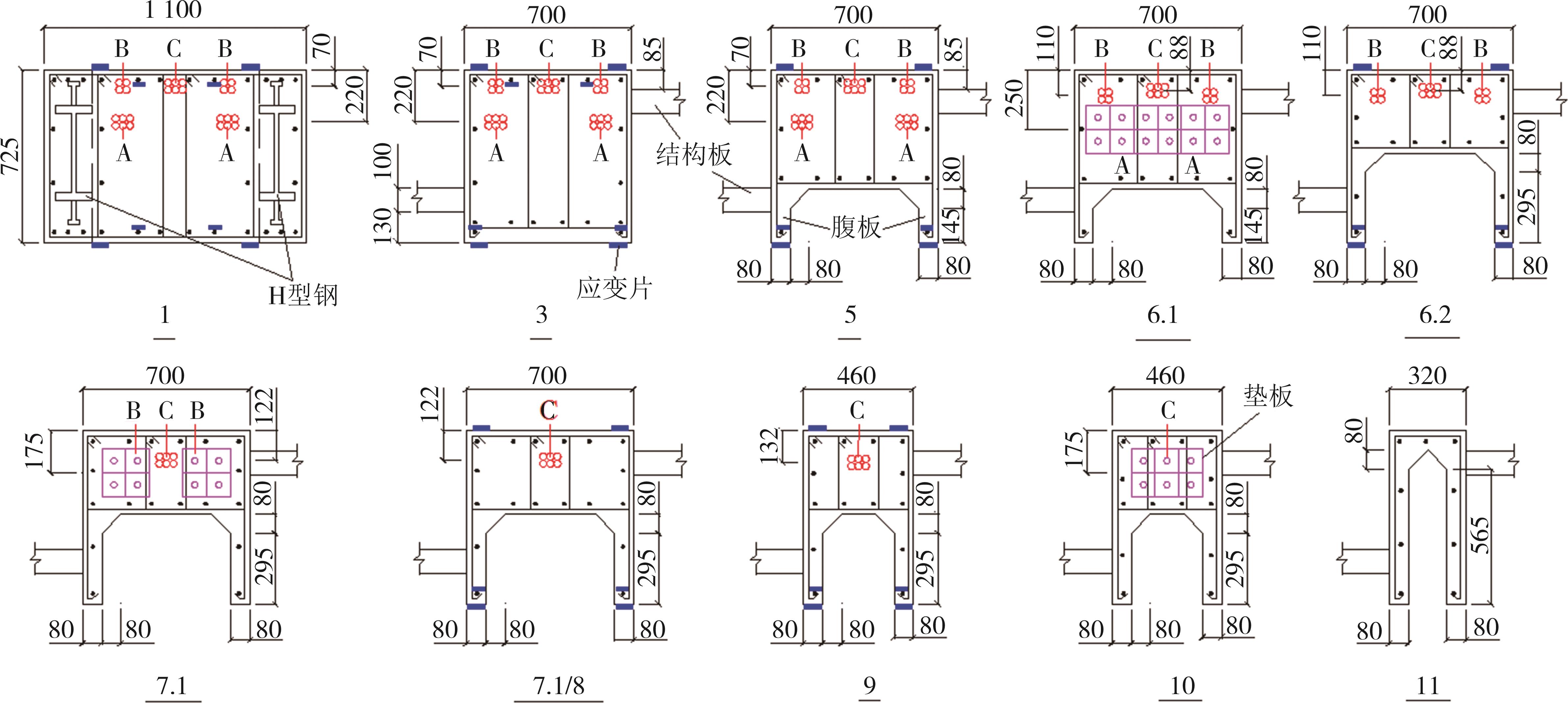
摘要:近年来模块建筑在我国发展迅速,技术标准体系逐步建立.本文基于刚度等效原理建立了超高性能混凝土(ultra-high performance concrete,UHPC)芯柱构造模块单元的等效框架简化计算模型,并对比分析了有限元计算与低周往复和拟动力试验结果,验证了模型的有效性.基于本文提出的简化模型,利用Midas Gen对一栋六层UHPC模块建筑结构进行了抗震性能分析.其结果表明,在多遇地震作用下,结构弹性变形能力良好,基本满足“小震不坏”的设防水准要求;在罕遇地震作用下,破坏主要集中在模块单元连接件处,且该结构在地震作用后仍保持直立,基本满足“大震不倒”的设防水准要求.
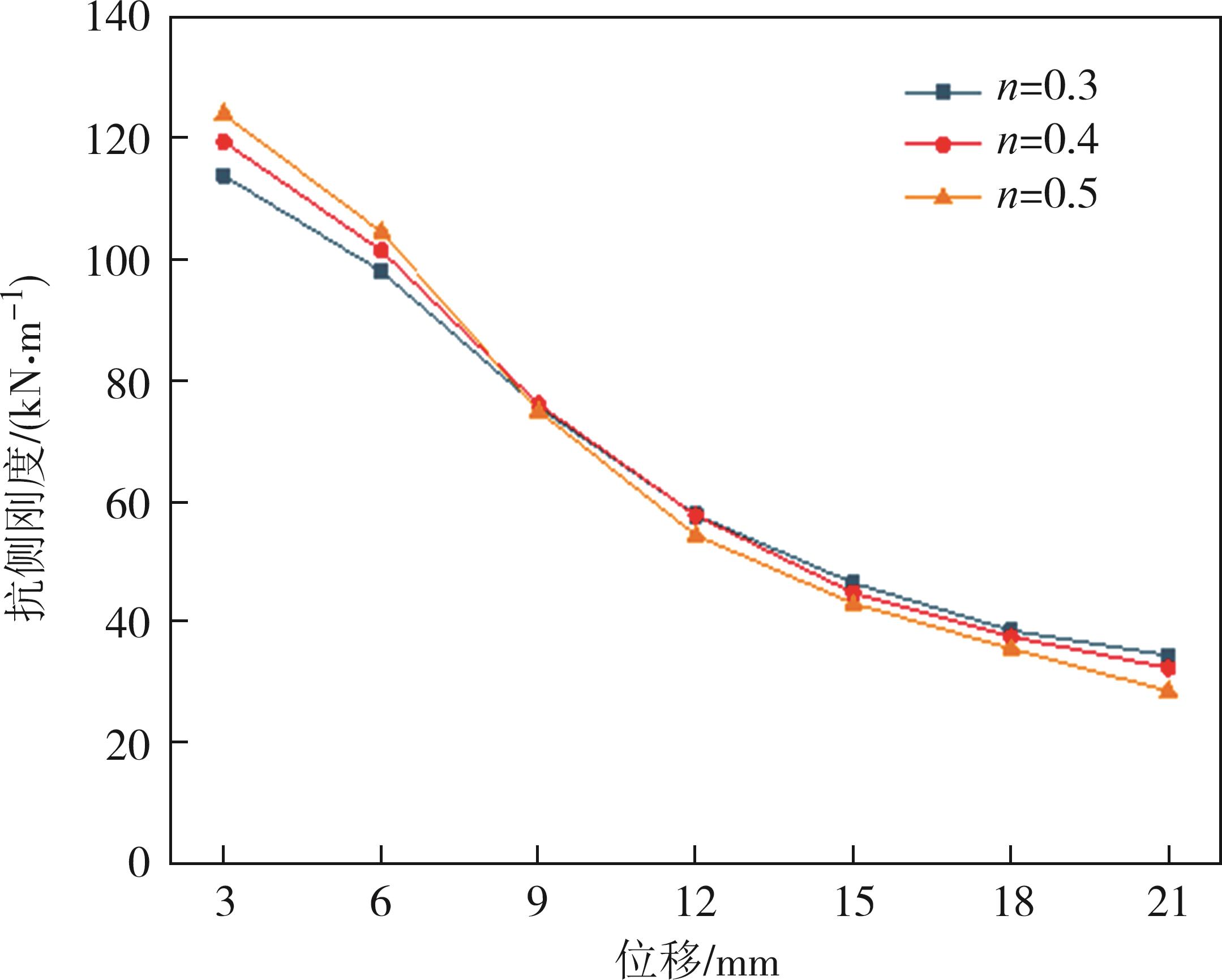
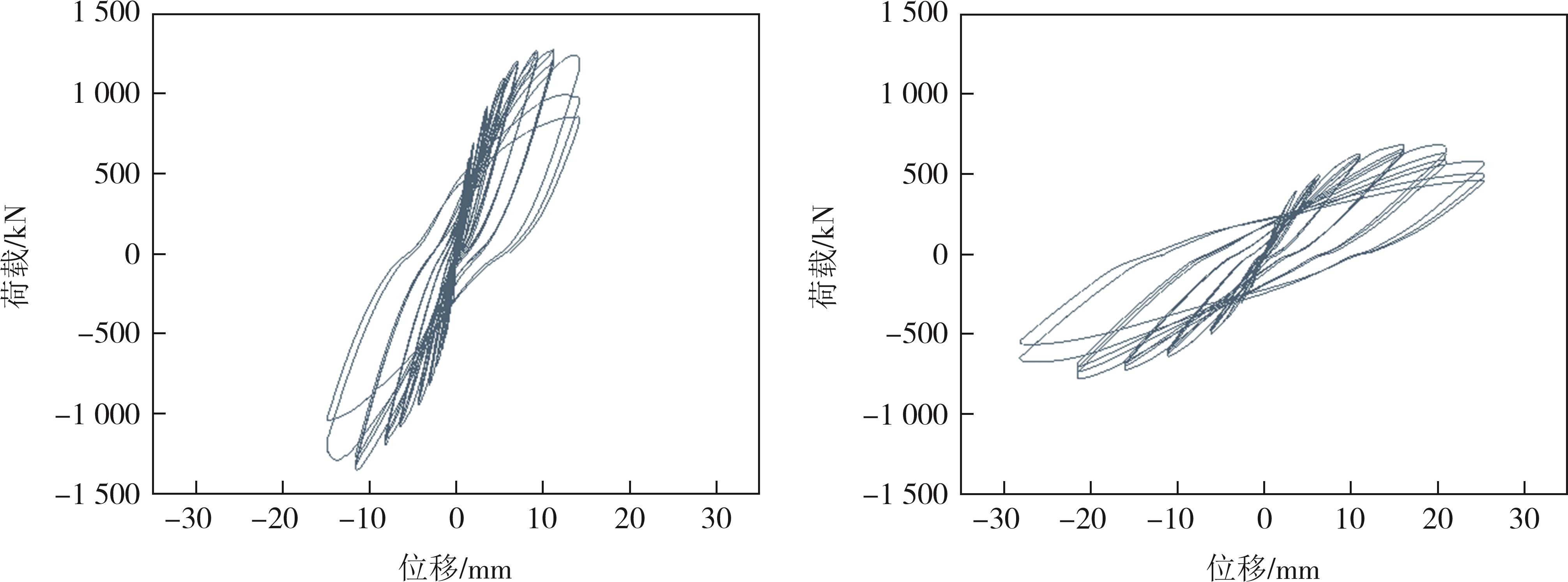
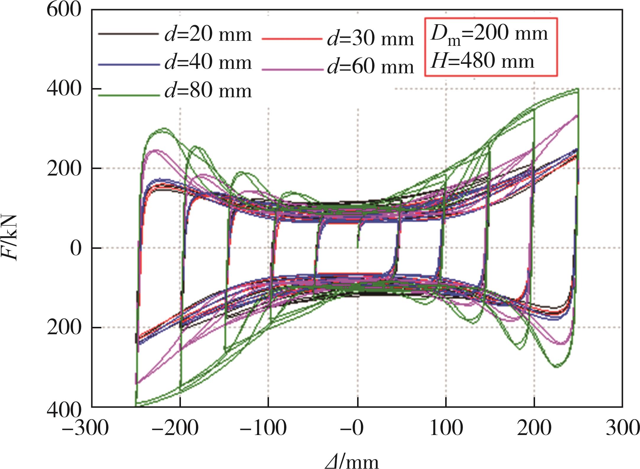
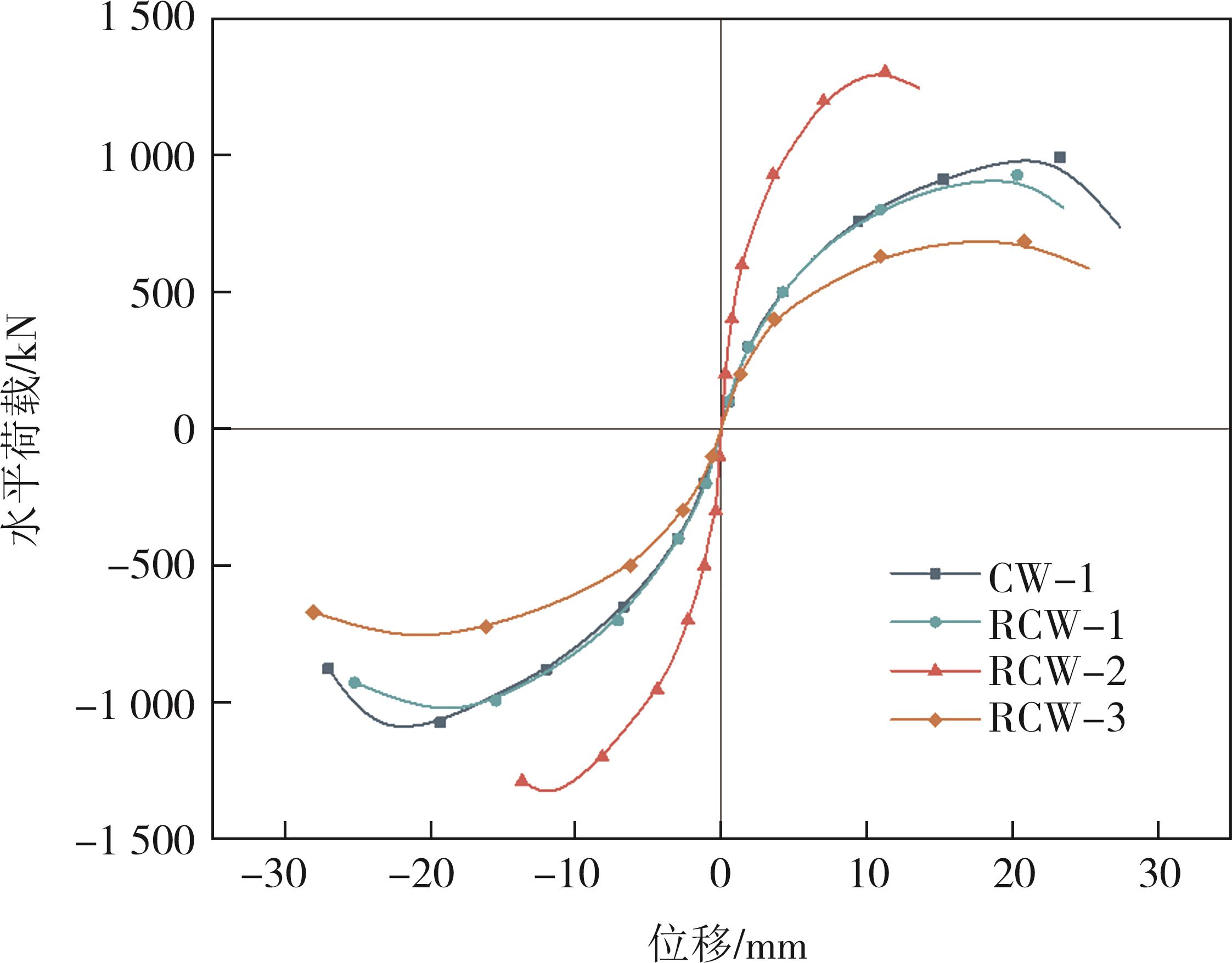
摘要:为研究栓钉连接双钢板-再生混凝土组合剪力墙的抗震性能,设计并完成了3组不同剪跨比试件拟静力加载试验.基于此试验建立数值模型,研究再生骨料取代率、混凝土强度等对抗震性能的影响.试验结果表明:结构钢板鼓曲现象主要出现在试件底部;剪跨比是影响结构破坏的重要因素,随剪跨比增大,试件破坏形态由剪切破坏转变为压弯破坏,钢板表面观察到明显栓钉痕迹;剪跨比从1分别增大至1.5和2,极限荷载分别降低了25.9%、45.0%,位移延性系数分别增大了9.2%、29.7%,等效粘滞阻尼系数分别增大了26.0%、89.3%;各试件破坏位移角在1/63~1/45之间,能够满足抗震规范的要求,具有良好的变形性能.通过数值模拟发现,提高再生混凝土强度等级,能够有效提高试件的初始抗侧刚度和极限承载力,减小轴压比、增大外包钢板强度均能提高试件抗剪承载力和抗侧刚度.考虑再生混凝土和钢板的组合作用,结合已有规范提出的组合剪力墙计算公式具有8%~15%的冗余度,计算结果偏于安全,计算方法较为合理.
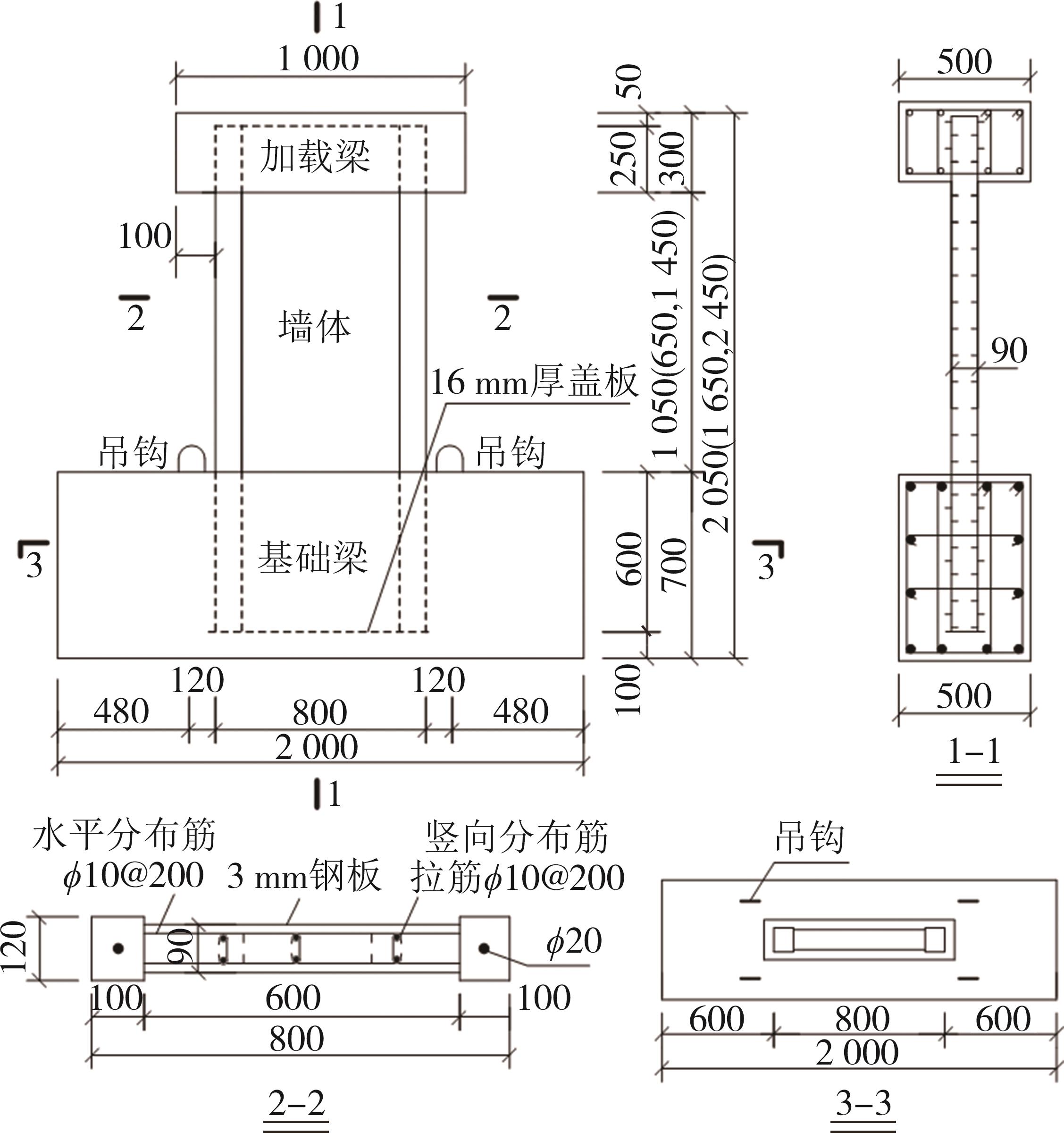
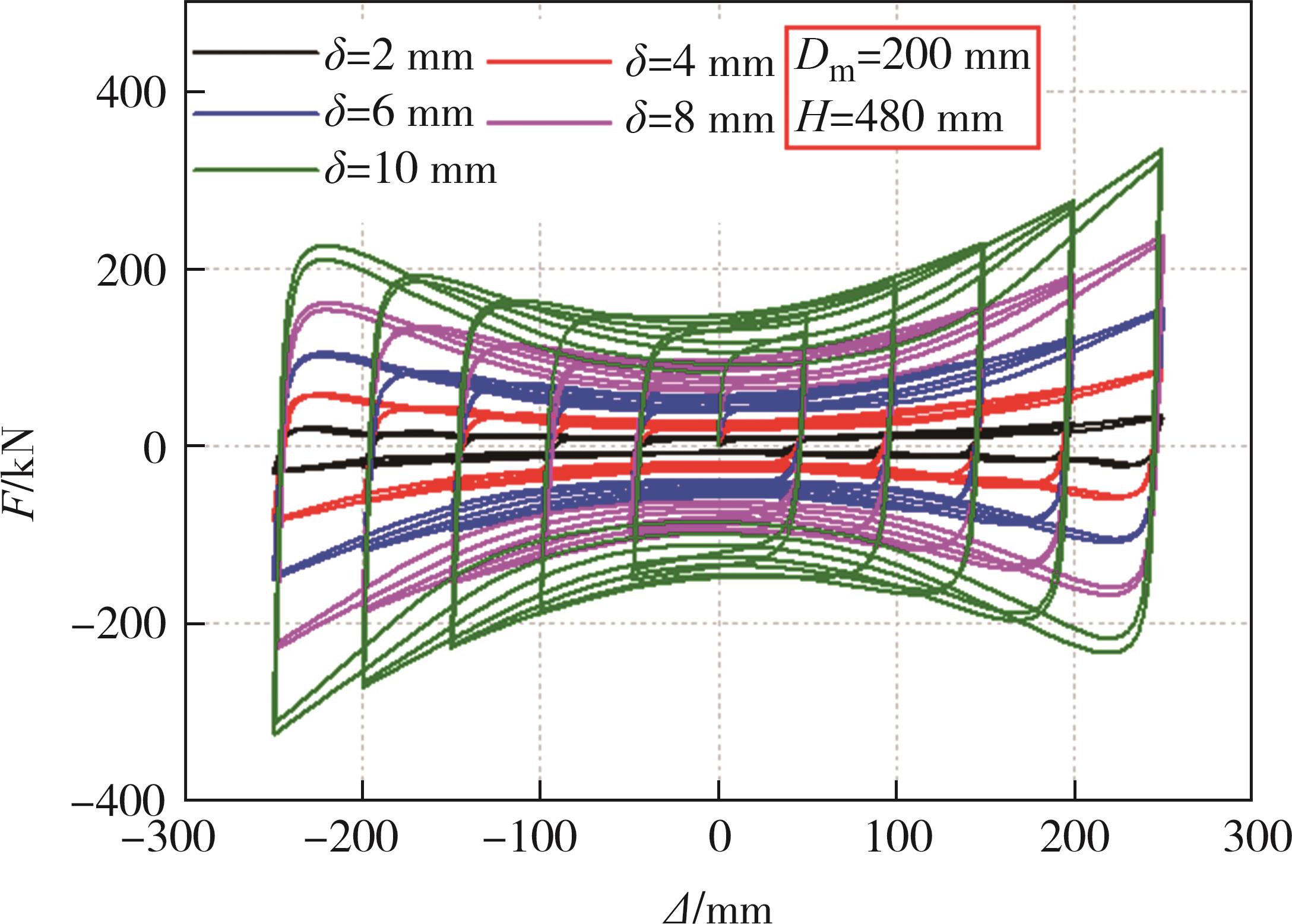
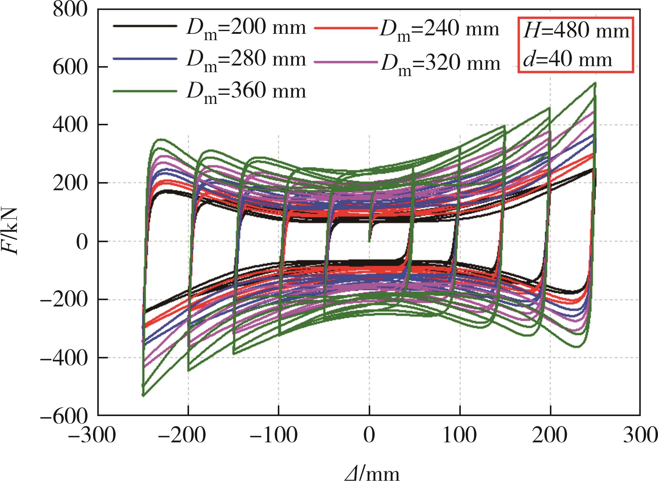
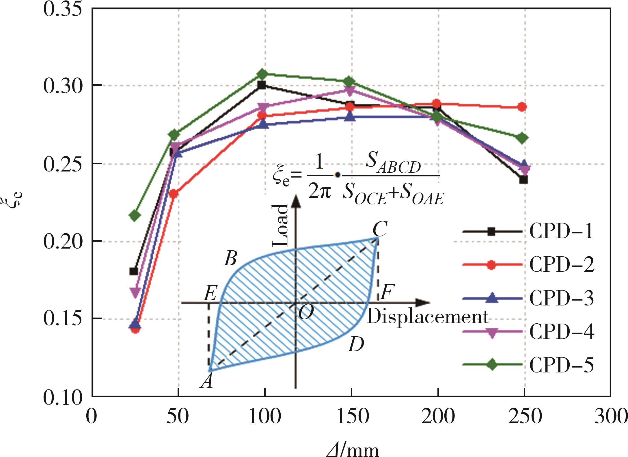
摘要:提出一种用于基础隔震结构的新型耗能装置—低屈服点钢波纹管阻尼器,该阻尼器具有水平各向力学性能相同、水平剪切大变形能力等显著特征.首先,通过开展低周往复加载试验,对低屈服点钢波纹管阻尼器的破坏模式、滞回特性、承载能力、变形特征、耗能能力等进行了研究,并分析了波纹管高度、平均直径等构造参数对阻尼器力学性能的影响;接着,利用ABAQUS建立了阻尼器的精细化有限元模型,分析阻尼器构造参数对其力学性能的影响规律,并给出了阻尼器各力学性能指标的预测公式.结果表明:波纹管的破坏主要发生在与加载方向一致且靠近连接板的波纹管上,与加载方向垂直侧的变形相对较小;各阻尼器试件的滞回曲线均比较饱满,表现出良好的耗能能力和水平大变形能力;阻尼器均发生了明显的屈服和强化过程,屈服前水平刚度较大,屈服后显著降低,约为屈服前的20%~32%;增加波纹管高度或者减小波纹管直径时,阻尼器的承载能力降低,水平刚度减小,滞回耗能也减少,但变形能力增大;提高波纹管材料强度和厚度时,阻尼器的承载能力显著提高,耗能能力增强.提出的计算公式能够较准确地预测阻尼器的基本力学性能.
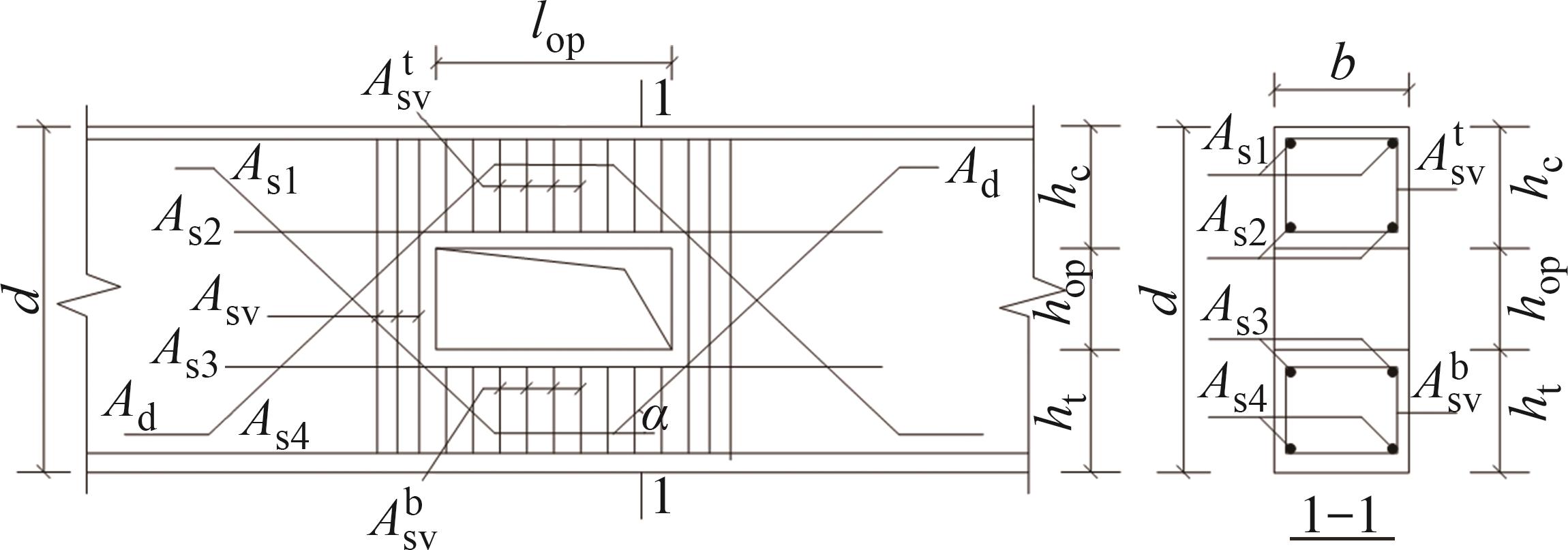
摘要:为了弥补现有钢筋混凝土开洞梁抗剪承载能力模型的不足,考虑破坏模式、洞口形状、洞口尺寸、洞口位置(水平和竖向)、加固配筋形式以及混凝土强度等参数,基于规范建立了抗剪承载力统一模型.通过159个试验数据确定抗剪承载力统一模型,并用来评估现有模型和统一模型.结果表明:按照破坏模式建立抗剪承载力模型是合理的;抗剪承载力统一模型具有较高的准确度,孔侧剪压破坏模式下抗剪承载力模型的均值AV、整体绝对误差IAE和相对平均误差MRE分别为1.035、0.177和0.231,弦杆剪切破坏模式下抗剪承载力模型的AV、IAE和MRE分别为1.007、0.166和0.212;随着混凝土强度的增加,可靠指标β逐渐增加,随着洞口高度的增加,可靠指标β逐渐降低;当洞口高度为0.5de(截面有效高度),可靠指标β仍然能够满足规范要求,建议洞口高度不超过0.4de.本文建立的抗剪承载力统一模型具有较高的适用性、准确性和可靠性.
摘要:为了探究缓粘结预应力超高性能混凝土(RBP-UHPC)悬挑梁的受力性能,以上海大歌剧院悬挑楼梯为背景,进行了2根足尺RBP-UHPC变截面悬挑梁的受弯性能试验.试验结果表明,加载过程中,各关键截面依次开裂,关键截面附近裂缝最密集;离关键变截面越远,裂缝越短越稀疏;悬挑梁破坏截面在距离梁根部2.6 m;越接近破坏截面的UHPC和钢筋应变发展越快,越早达到UHPC的弹性压应变和钢筋的屈服应变;两根梁破坏截面的安全裕度分别为1.97和1.81,具有较好的结构性能,能够满足实际工程的强度要求.提出了带有结构板的π形变截面RBP-UHPC悬挑梁抗弯承载力的计算模型.相比于现有规范,本文模型的计算结果与已有试验的结果吻合最好,且偏于安全.
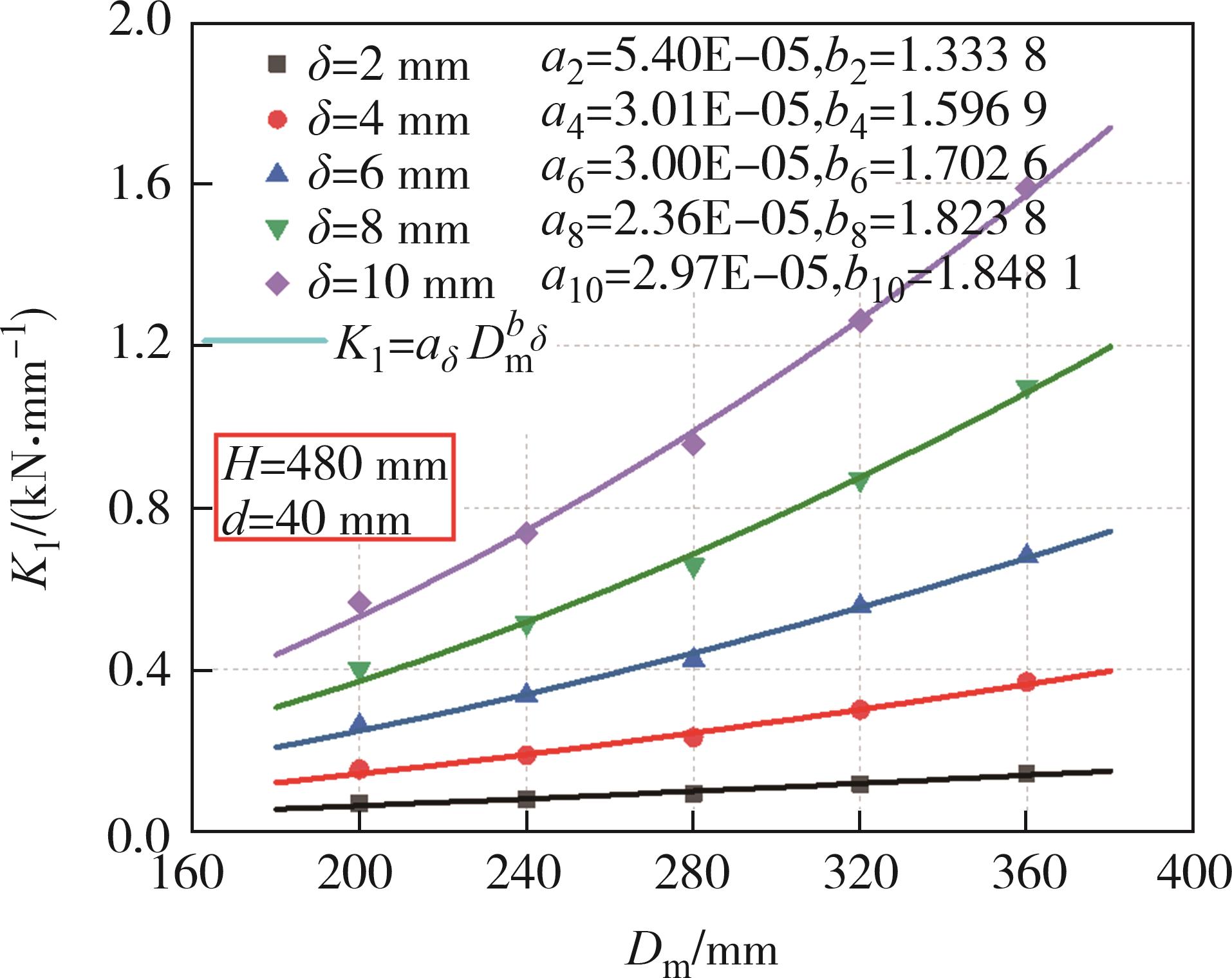
摘要:为明确界面抗剪连接的不同布置对钢-超高性能混凝土(ultra-high performance concrete, UHPC)组合梁受弯性能的影响,完成了3根界面栓钉不同布置的钢-UHPC组合梁受弯性能的试验研究,提出了基于截面纤维模型的钢-UHPC组合梁受弯性能非线性分析方法并编制了相应计算程序且以试验结果验证了方法和程序的适用性,并用其分析了集束度和剪力连接度对钢-UHPC组合梁受弯性能的影响.结果表明:1)对于集束度γ≤0.5和γ=1的钢-UHPC组合梁,其临界剪力连接度分别为0.9和0.74;2)钢-UHPC组合梁的弹性抗弯刚度随着剪力连接度的增加而增加,随着集束度的增加而降低;3)剪力连接度对钢-UHPC组合梁的抗弯承载能力和延性系数影响显著,集束度γ=1时组合梁的延性系数明显增大,但集束度γ≤0.5时,其延性系数基本不再受集束度的影响;4)对于完全剪力连接组合梁,极限状态时界面的剪力分布随剪力连接度的增大而越趋于不均匀,但集束度对极限状态时界面的剪力分布影响较小.钢-UHPC组合梁的集束度γ不应大于0.5,剪力连接度η不宜小于1.0.
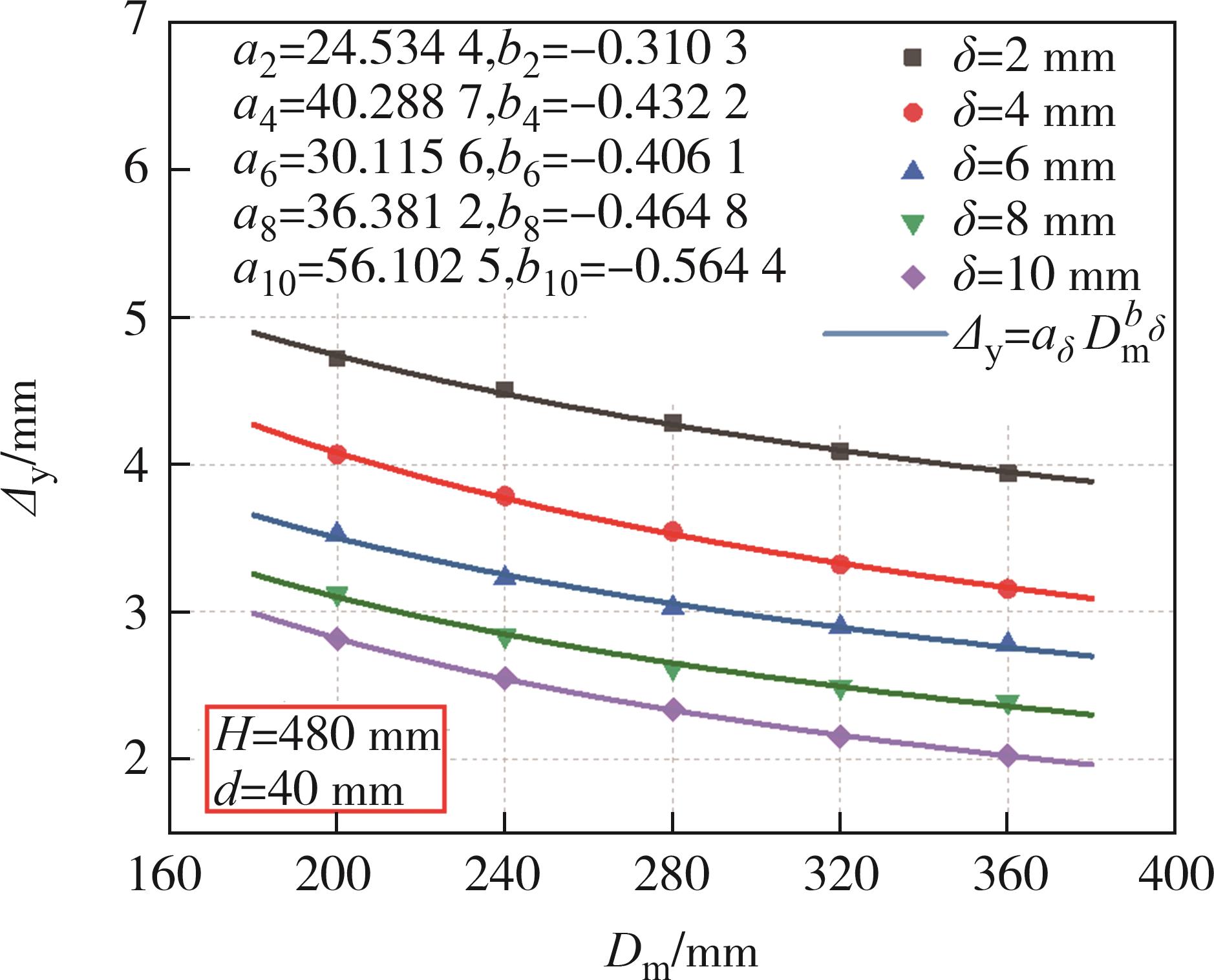
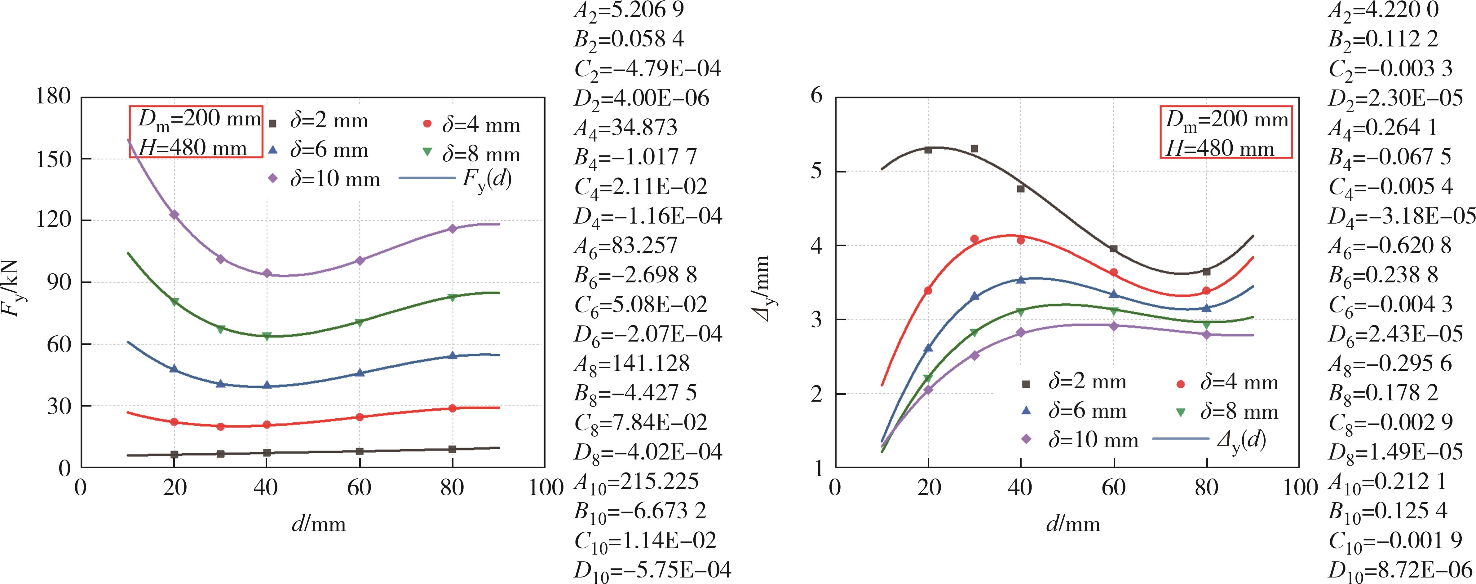
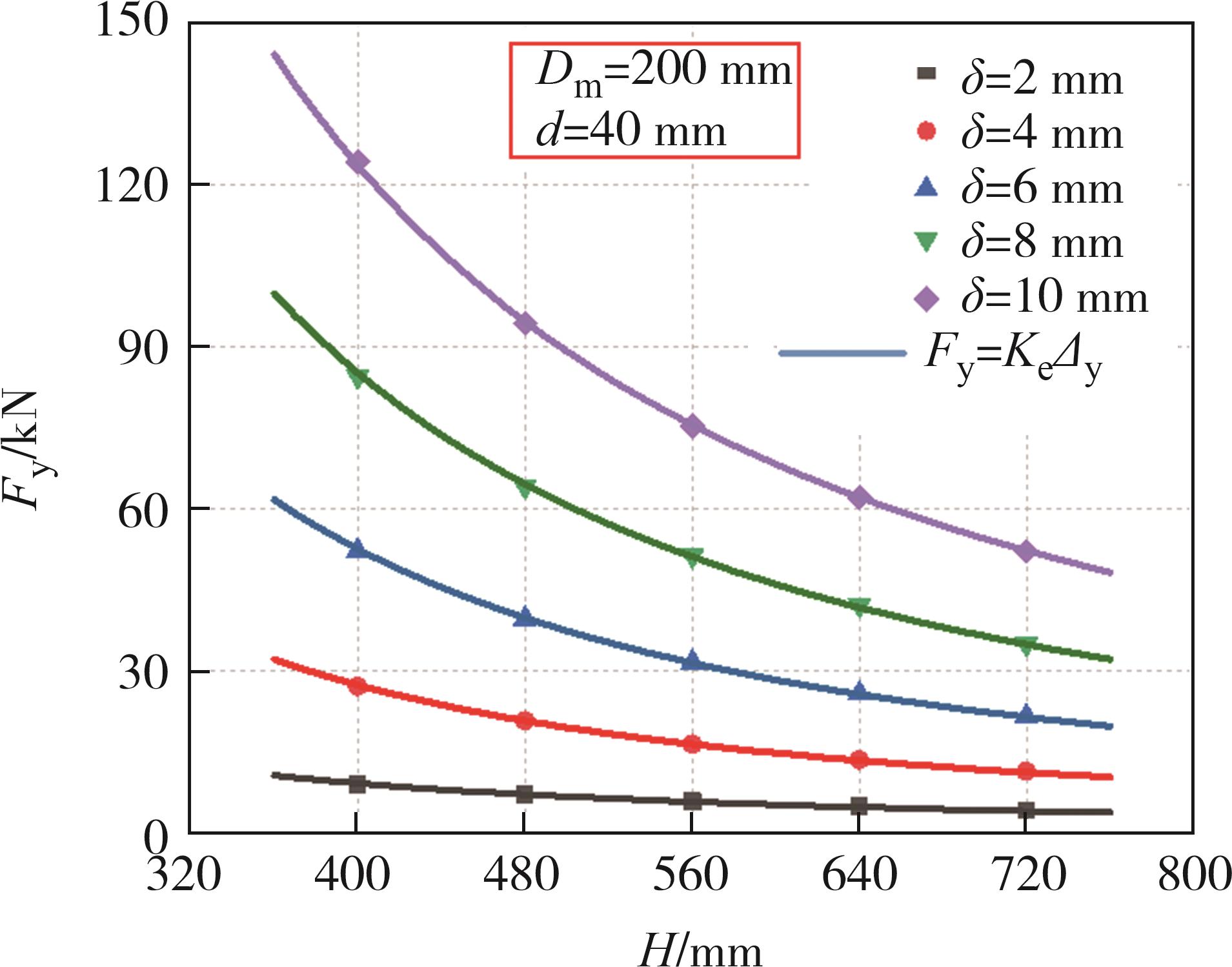
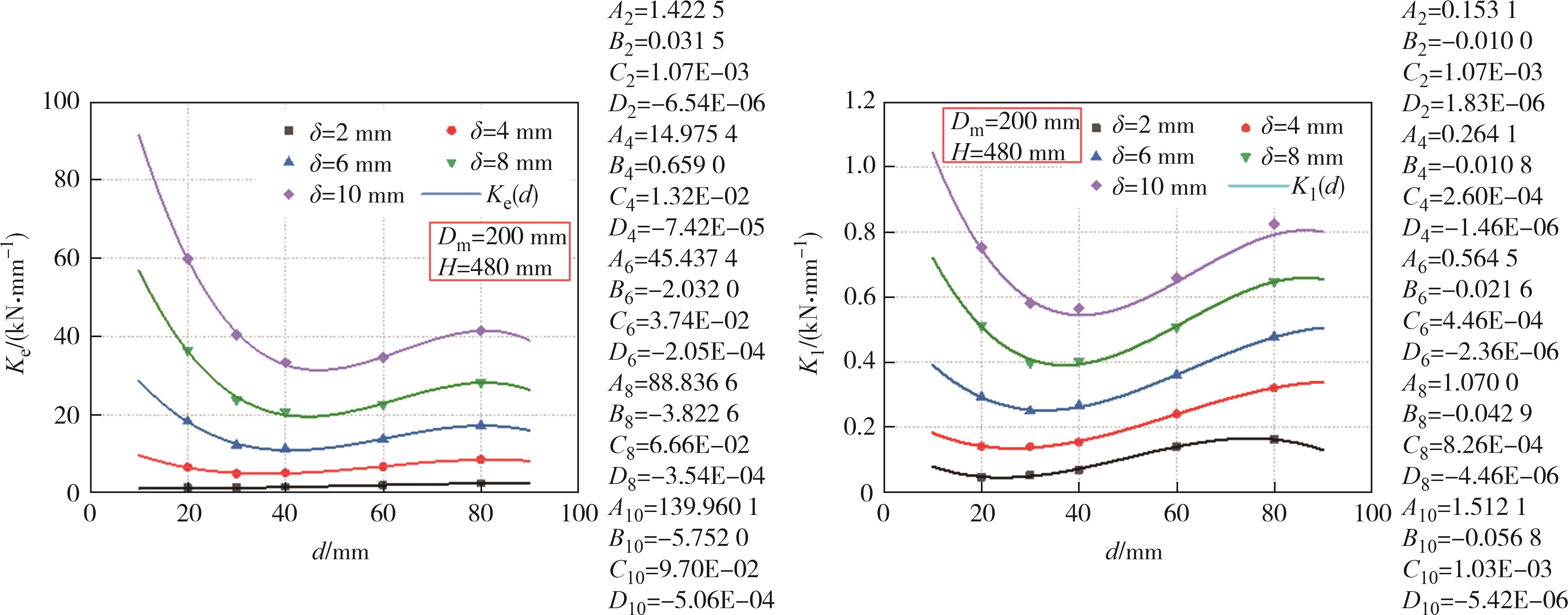
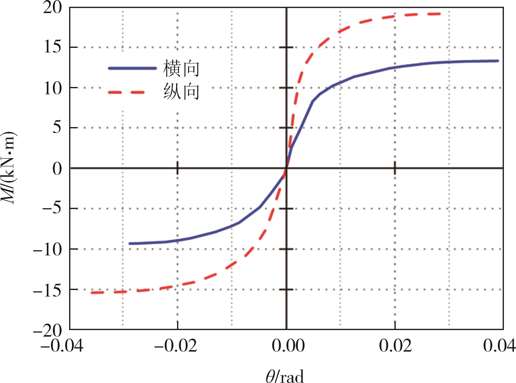
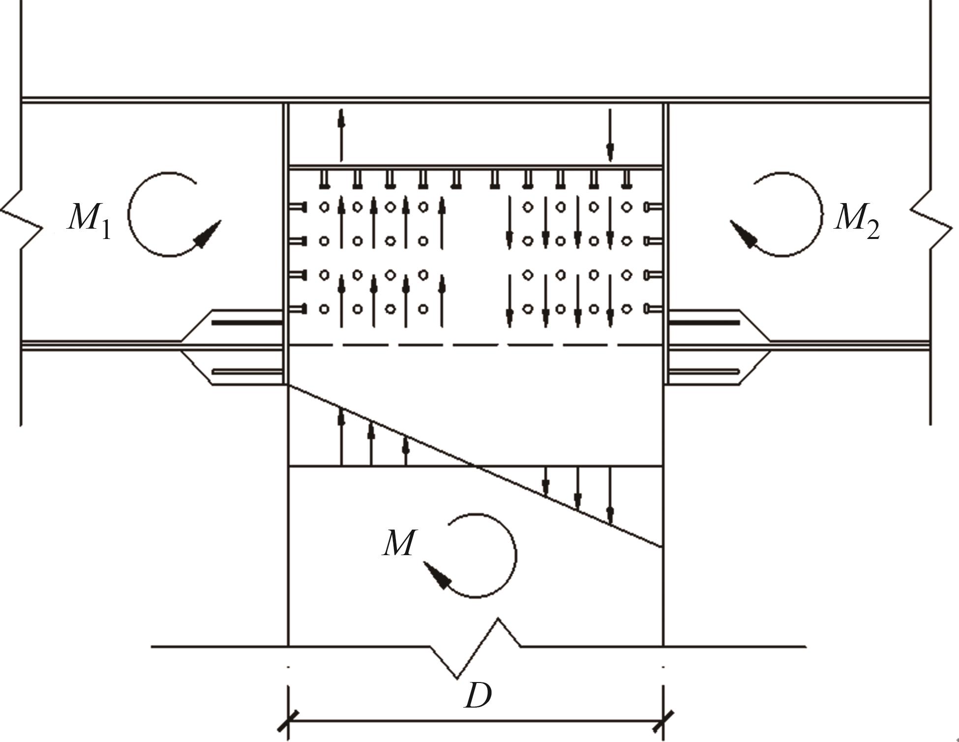
摘要:模块钢结构是建筑工业化及绿色化发展下的产物,其中拆装式模块钢结构因其能显著降低运输成本而受到广泛关注.节点是模块钢结构中实现可拆装功能的关键部件,且对结构整体性能有着重要影响.然而具备拆装特性的节点通常构造复杂,传力路径不明确.本文针对拆装式模块钢结构中的一种异形梁-柱节点进行受力性能分析,完成了两个节点的平面内受弯试验,发现高强螺栓及其连接板是影响节点刚度的控制因素;随后建立了可靠的数值模型进一步研究节点在不同平面和不同方向上的转动性能,并根据欧规EC3将其判定为半刚性节点;接着在数值分析和理论推导的基础上,提出了节点初始转动刚度和极限抗弯承载力的近似计算模型;最后采用幂函数模型描述节点的半刚性性能,近似模型的弯矩-转角曲线与数值结果吻合良好.
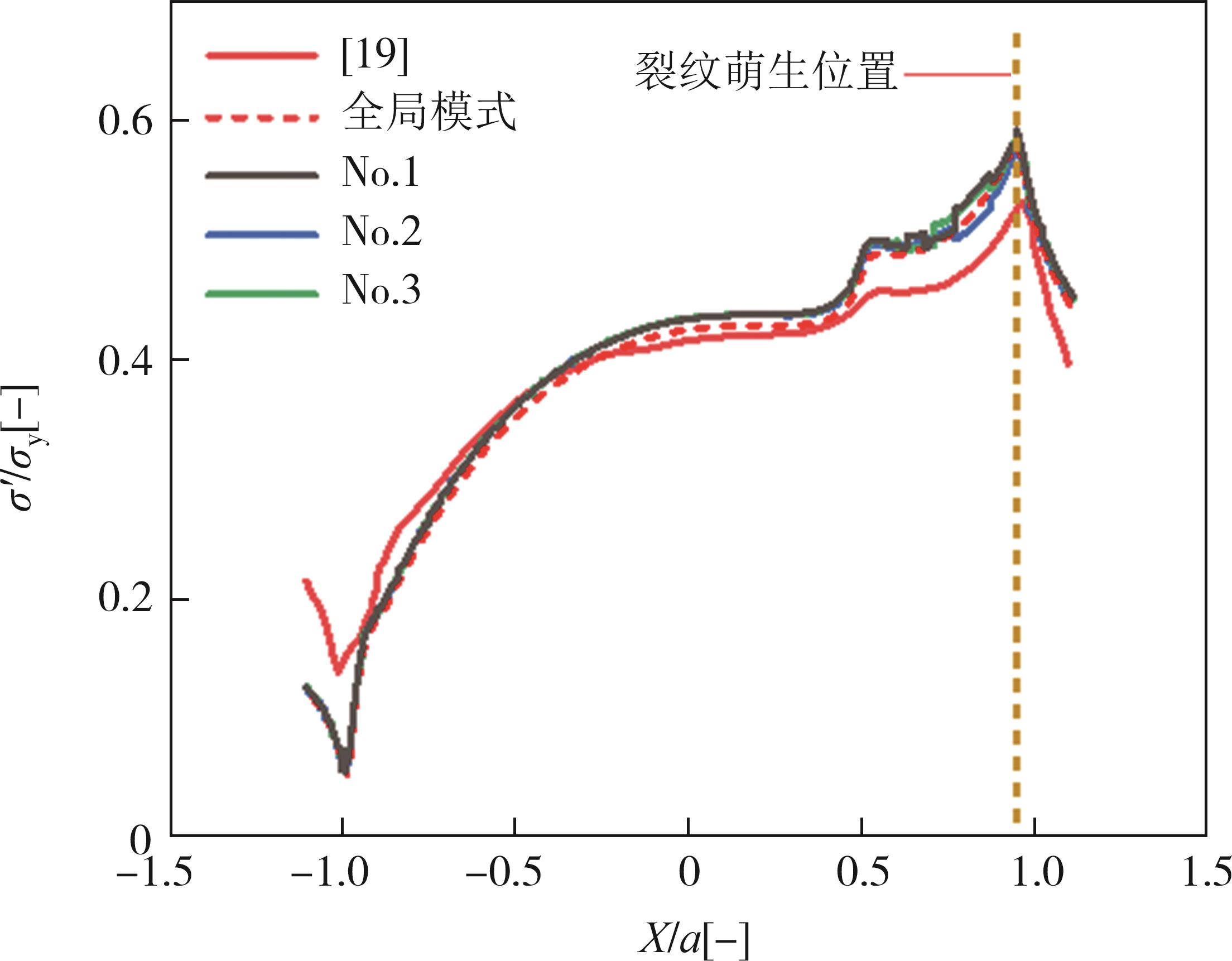
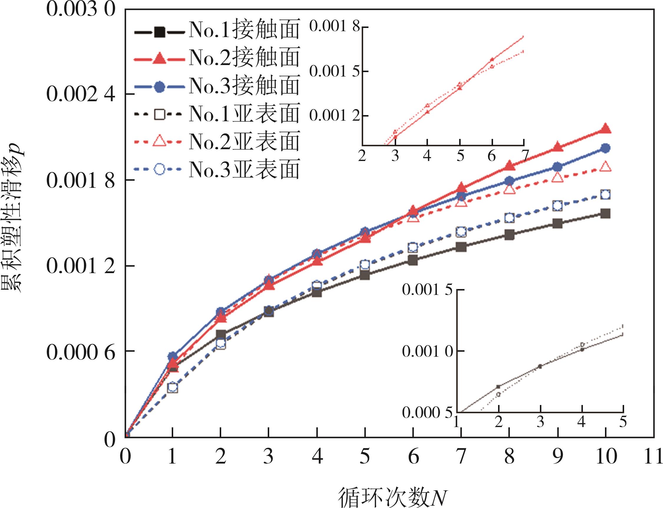
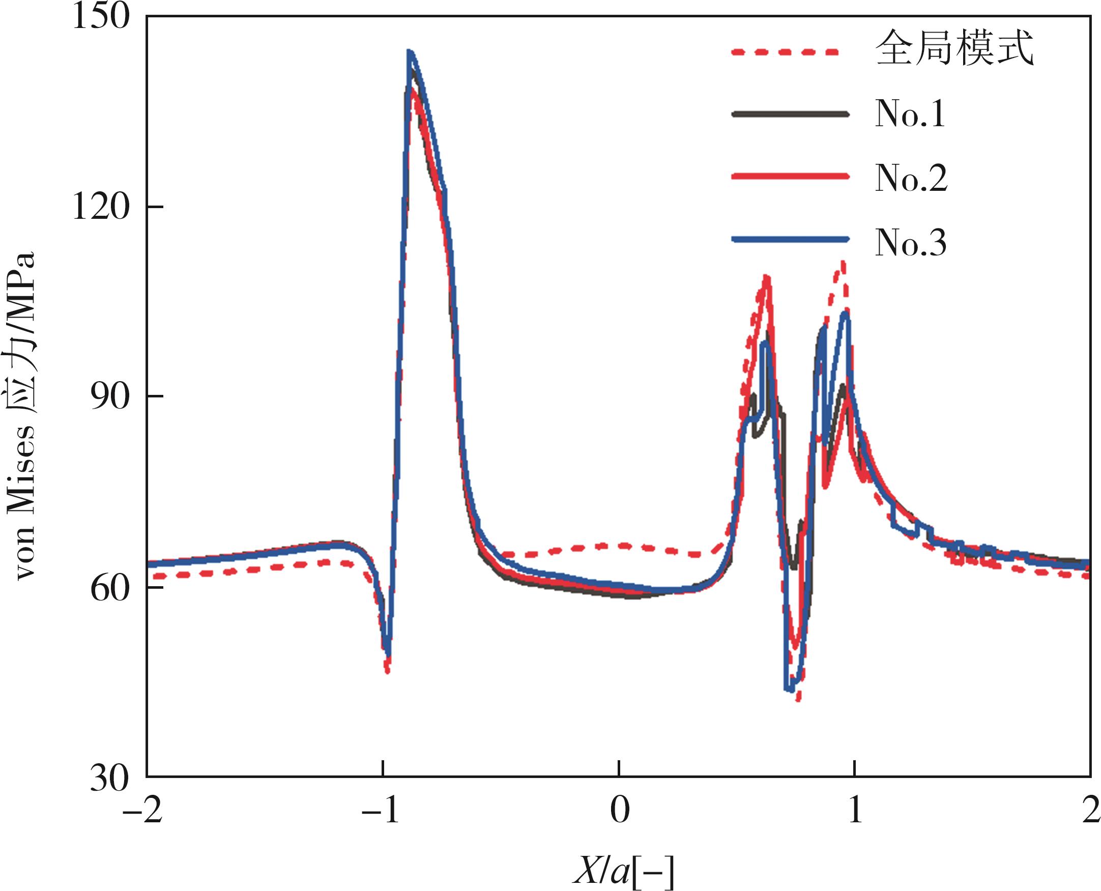
摘要:准确辨识微动疲劳的影响因素是微动疲劳评估和控制的关键. 针对AA2024-T351合金微动疲劳断裂问题,采用考虑细观结构敏感性的晶体塑性有限元模型,探讨了以晶粒梯度表征的材料细观结构对AA2024-T351合金微动疲劳的影响;同时,结合子模型方法对微动疲劳试样接触区域进行计算,通过累积塑性滑移来确定微动疲劳裂纹萌生位置并预测裂纹萌生寿命. 研究发现,晶粒梯度由于晶粒尺寸差异和晶粒边界条件的影响,导致金属材料应力场分布不均匀;相较于微动疲劳接触面,晶粒梯度对亚表面的裂纹萌生位置有显著改变;晶粒梯度对微动疲劳裂纹萌生寿命有明显影响. 研究结果表明,晶粒梯度分布会改变晶粒间的塑性变形特征;随着晶粒梯度增大,亚表面的裂纹萌生寿命逐渐超过接触表面; 晶粒梯度的变化对亚表面裂纹形核位置产生显著影响,从而决定了裂纹扩展趋势. 基于该研究结论,使用材料加工方法改变金属的晶粒梯度分布,将有效抑制微动疲劳裂纹萌生和扩展.
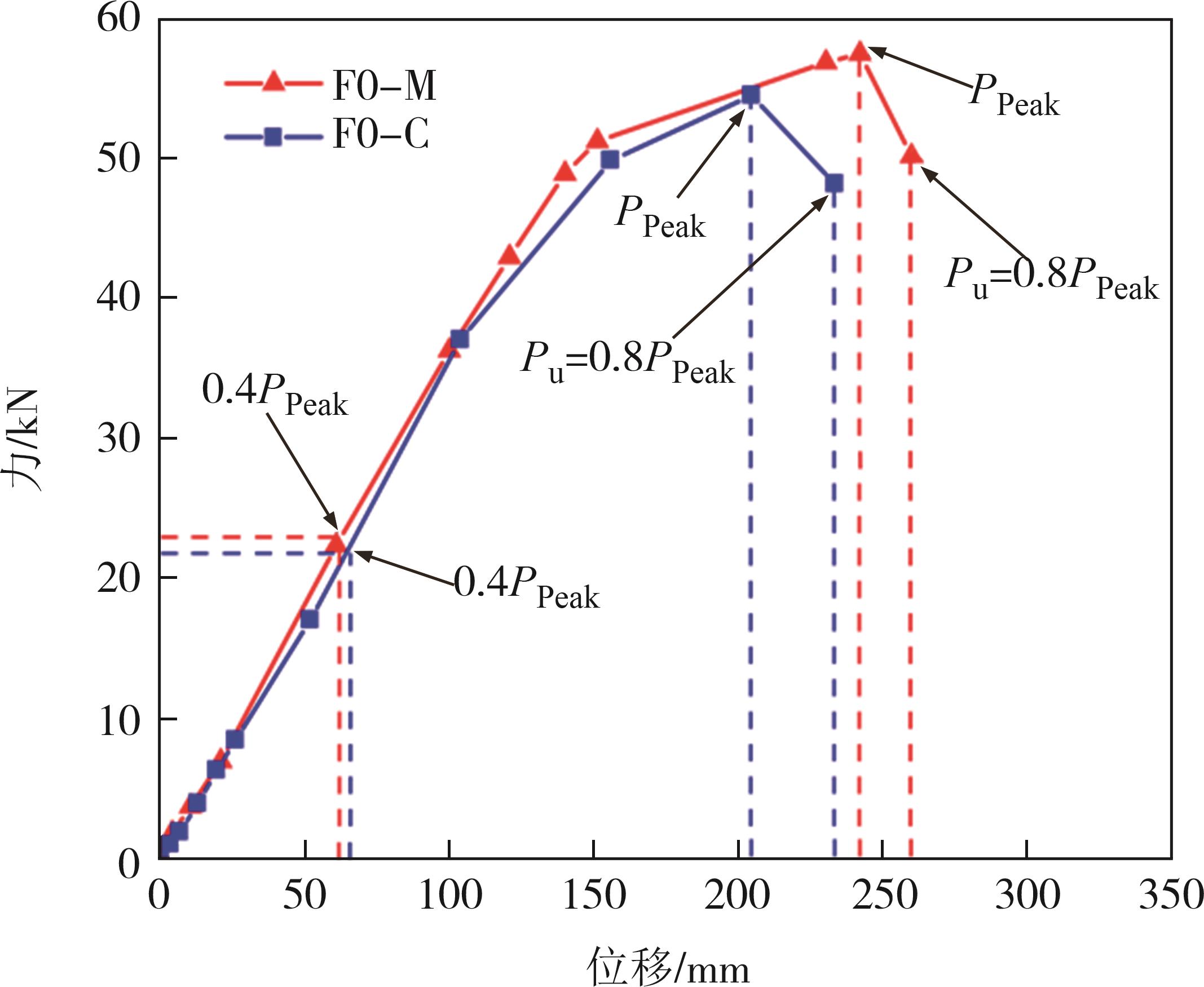
摘要:为了建立适用于梁柱式胶合木结构的损伤评估模型,了解其在地震作用下的行为,对4个足尺试件进行水平加载试验.试验考察了有无支撑、不同水平加载程序以及两种类型的人字支撑等多种情况,结果表明:纯框架的破坏模式主要集中在节点处并伴随着较大的水平变形,而增设人字形支撑的试件破坏模式主要表现为支撑构件的失稳破坏.将人字形支撑集成到梁柱式胶合木框架中,有效提升了结构的刚度和最大承载力,并减小了侧向变形.此外,根据试验数据和试件破坏特征提出了考虑变形和耗能的双参数评估模型,该模型能够反映试件破坏前期由大变形造成的损伤,有潜力为梁柱式胶合木框架及框架支撑结构的加固及设计提供可靠理论依据.
陈谨林 ,,李秉海 ?,徐继祥 ,,涂军 ,王志宏 ,陈孟鸿 ,陈政清
摘要:为研究电涡流阻尼器在超宽单肋系杆拱桥减震领域的应用效果,分别在某超宽桥面有背索柔性单肋系杆拱桥新型组合结构体系的主梁活动支座位置处设置纵向和横向电涡流阻尼器,并采用非线性时程分析方法计算结构在地震作用下的运动响应.为方便电涡流阻尼器的计算应用,分析时对其阻尼力模型开展简化研究,并通过试验验证了简化模型的有效性,最后以墩梁相对位移和拱脚内力为评判指标,研究了变化电涡流阻尼器参数对结构地震响应的影响.结果表明:超宽桥面有背索柔性单肋系杆拱桥新型组合结构体系的面外刚度较低,在地震作用下容易发生侧向倾覆,结构对拱脚抗弯承载力的要求较高;双折线模型可以近似与电涡流阻尼器的非线性阻尼力模型等效,用于描述电涡流阻尼器的力学性能;安装电涡流阻尼器可以有效降低超宽桥面有背索柔性单肋系杆拱桥新型组合结构体系在地震作用下的动力响应,阻尼器最大阻尼力确定时,随等效阻尼系数的提升,结构的地震运动响应呈现明显的下降趋势,其下降速度先快后慢,最终在阻尼系数达到一定阈值后趋于水平;最大阻尼力参数决定了电涡流阻尼器的阻尼力上限,在等效阻尼系数一定时,一定范围内随最大阻尼力的提高,结构各节点的运动响应会不断下降.
摘要:在箱形组合刚构桥墩梁节点位置的受压区箱梁底部设置承压板,可增大受压面积,避免箱梁底板应力集中和局部屈曲.承压板式墩梁节点传力机理与适用性尚不明确,缺乏相应的节点构造设计方法.鉴于此,本文通过验证后的实体有限元计算模型,开展承压板式箱形组合刚构桥试设计,研究承压板式墩梁节点的传力机理和荷载占比,建立墩梁节点内力计算方法,开展承压板构造参数和适用性分析.研究结果表明:在试设计构造尺寸和材料特性确定基础上,承压板式墩梁节点在轴压力和轴拉力作用时,主要通过箱梁腹板传力,占比分别约为60%和50%.弯矩传力机理与轴力类似,剪力作用下,剪力背向侧主要通过纵向加劲肋传力,占比约为-80%;剪力同向侧主要通过承压板传力,占比约为80%.理论计算结果与有限元计算结果偏差不大于8.8%,可用于承压板式墩梁节点内力计算.建议承压板构造设计中,相对横向间距取1/6、相对板厚取1.当墩高超过15 m,梁墩线刚度比大于0.047,承压板式墩梁节点的钢梁应力小于常规形式墩梁节点的钢梁应力;当墩高超过30 m后,采用承压板构造,可显著降低箱形组合刚构桥墩梁节点位置的钢梁应力.
卢斌 ,,蔡松 ,,裘程辉 ,李加武 ,?,谢泽恩 ,,王佳盈 ,
摘要:为研究传统指数衰减系数Cy设定的模拟脉动风场对大跨径悬索桥抖振响应的影响,首先以三座1 000~2 000 m级的大跨径悬索桥为背景进行频域法和时域法的抖振响应分析.结果表明,考虑风荷载非线性等因素的时域法抖振响应结果更加安全;在此基础上,基于时域法,分析了不同Cy取值时悬索桥各展向位置处的抖振响应,并与Davenport推荐的Cy=16时的抖振响应进行对比.研究表明,悬索桥抖振响应并非单纯随Cy的改变而线性变化,在不同Cy取值下三座悬索桥跨中位置处的抖振位移响应RMS值始终最大.Cy为14时的主梁竖向位移、侧向位移及扭转角RMS最大值比Cy=16时的值大,分别大1.5%、14.6%和26.3%.用Davenport的建议值进行大跨度悬索桥抖振响应分析结果偏危险,在进行抖振响应最不利分析时,建议选取多组Cy值进行计算.
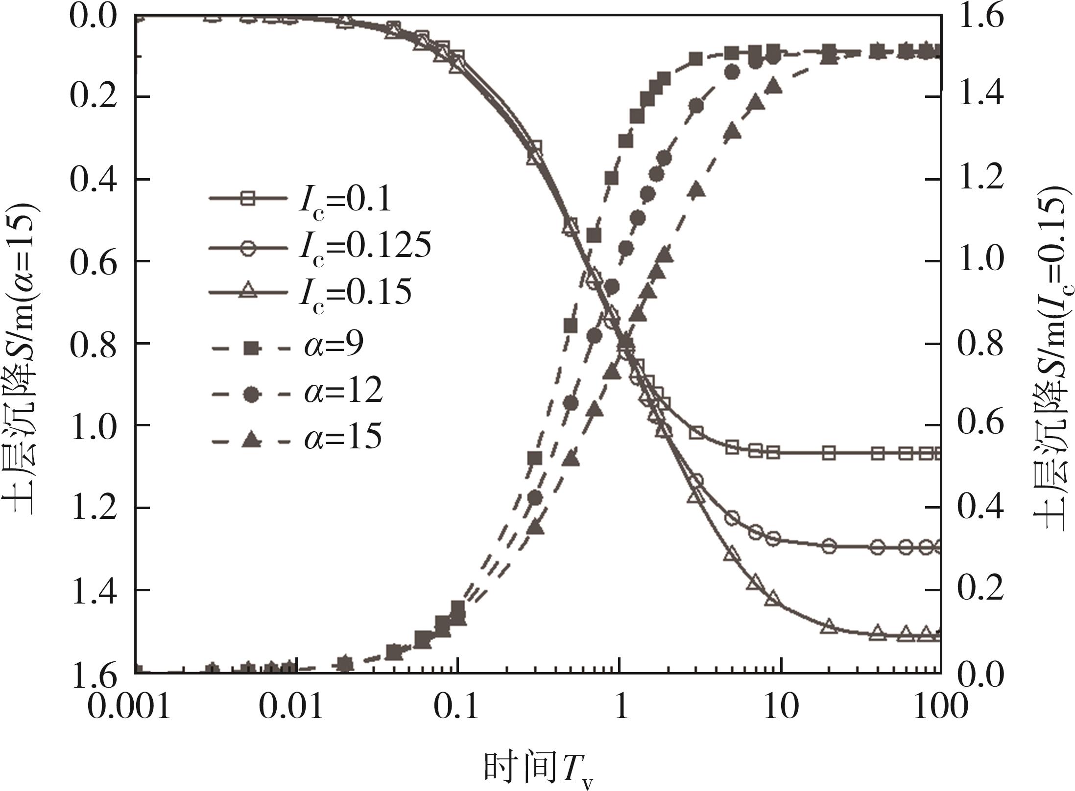
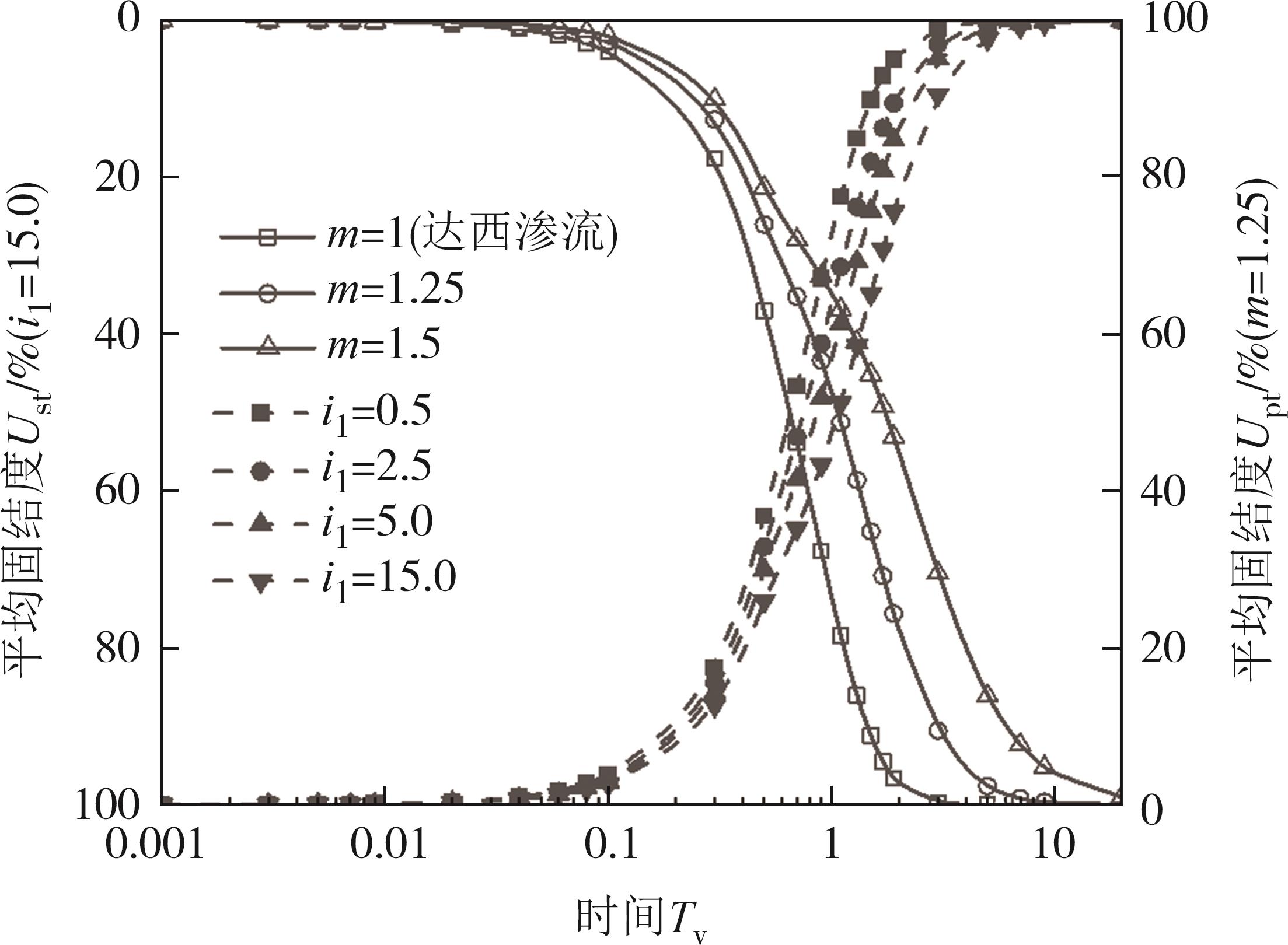
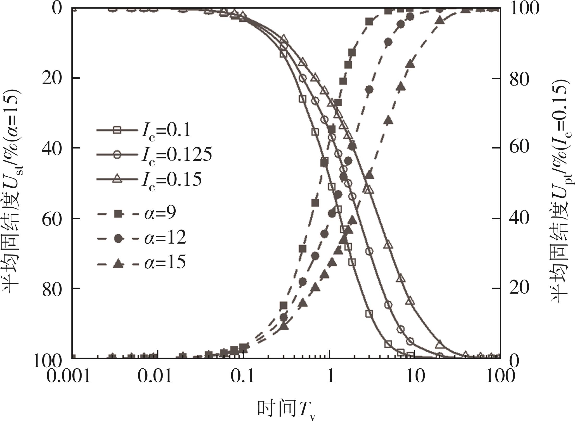
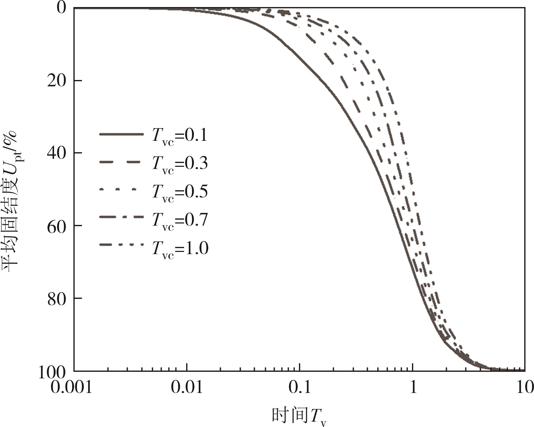
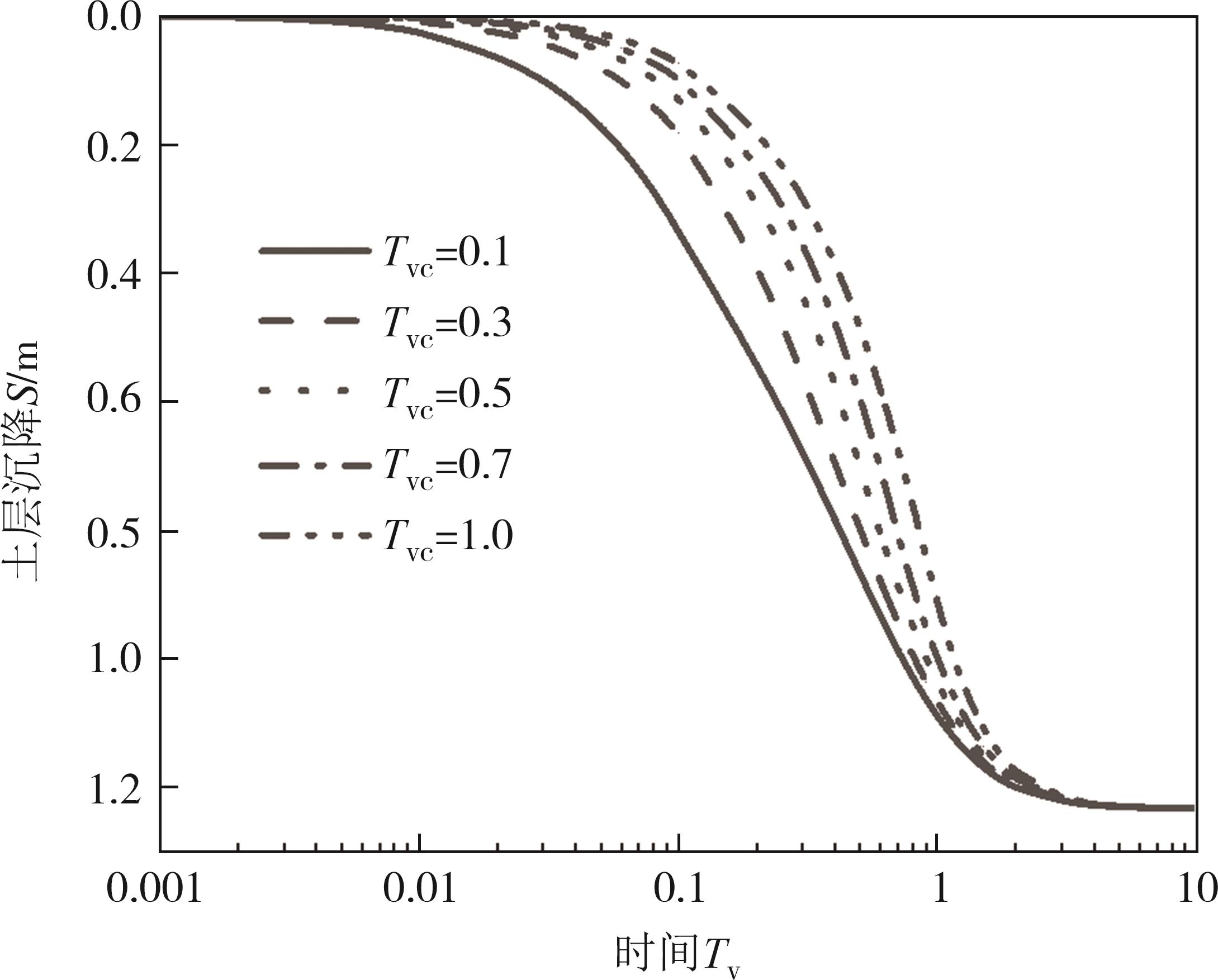
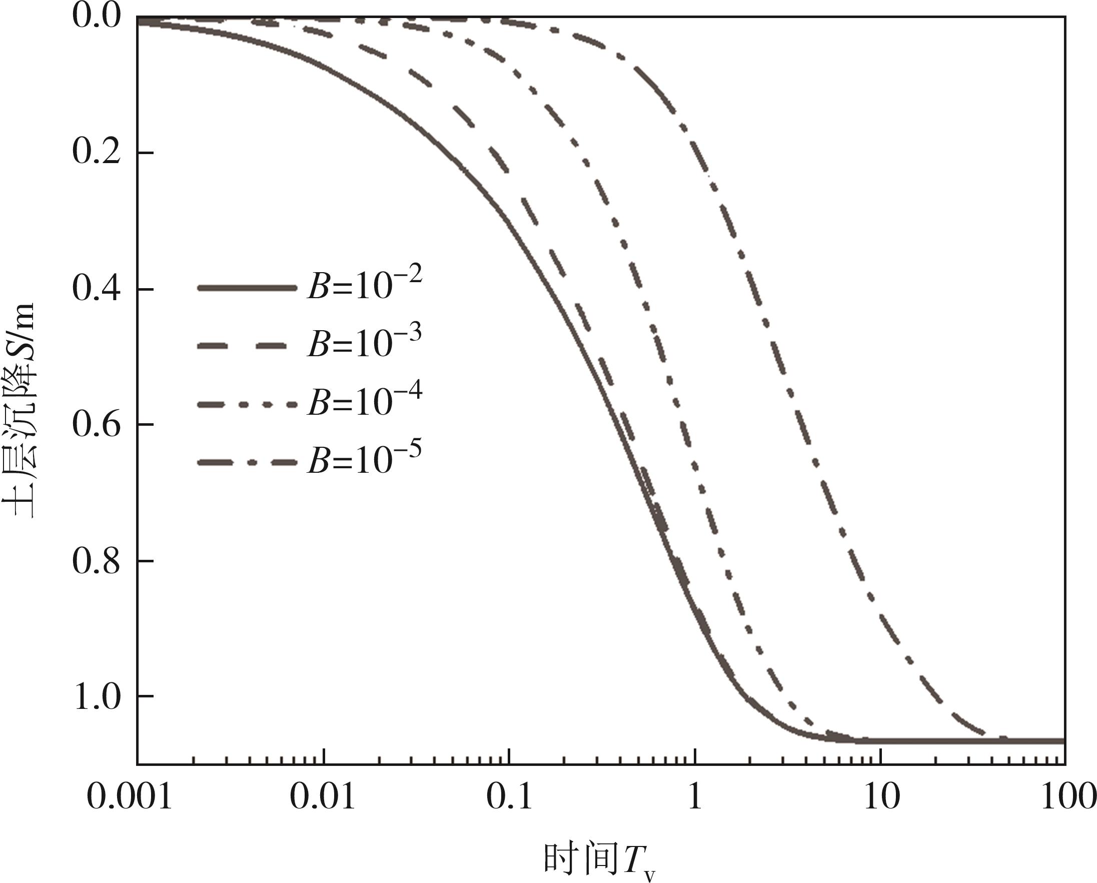
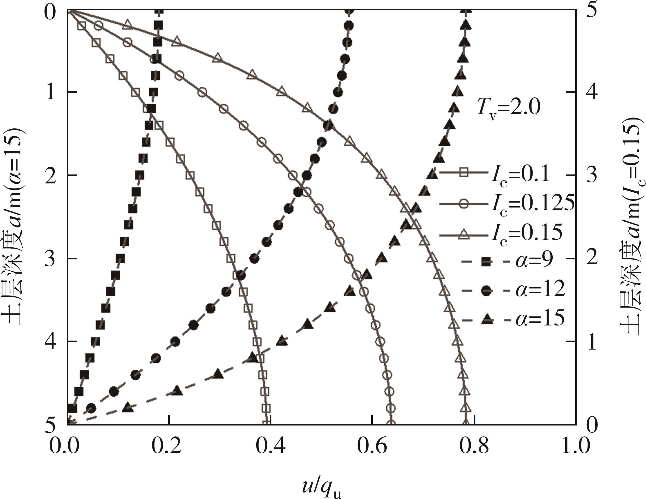
摘要:传统固结理论大多基于小应变假定,不适用于大应变软土固结.为了预测任意荷载下大应变软土的固结沉降,基于双对数渗透压缩模型,建立了考虑任意荷载以及非达西渗流的软土一维非线性大应变固结模型,并通过有限差分法推导出固结方程数值解.与解析解以及室内试验进行对比,验证了该数值解的可靠性.在此解答的基础上,分析压缩指数(Ic)、渗透模型参数(α)、非达西参数(m、i1)、加载历时以及任意荷载对土体固结沉降的影响.结果表明:任意荷载下,Ic和α越大,平均固结度越小,超静孔隙水压消散越慢,但软土固结沉降的最终沉降量只与Ic的大小相关,非达西参数m和i1越大,软土层固结沉降过程中达到最终沉降值所需要的时间越长,即固结过程中的相同时刻下土层的沉降就越小;随着施工荷载与指数荷载加载历时增大,土层沉降速率会变慢,而增大循环荷载的荷载周期时,土层沉降速率会变快;此外,相较于其他荷载,循环荷载下的软土固结性状呈现明显的周期性.研究结果进一步丰富了软土地基一维大应变固结理论,为软土地基施工提供理论支持.
蒋红光 ,冯豪杰 ,马川义 ,张圣涛 ,张宁 ,刘侠 ,姚占勇 ?
摘要:道路结构的长期服役性能与路基湿化状态密切相关.本文针对降雨入渗下的细粒土路基水分迁移控制效果,选取我国黄河中下游流域典型粉质黏土路基填料,基于压力板仪试验获得了粉质黏土和芯吸土工布的水力学特性,构建了芯吸土工布加筋粉质黏土物理模型,开展了不同降雨强度下粉质黏土填料的水分迁移试验研究,探究了有无芯吸土工布作用下的粉质黏土路基含水率和基质吸力的演化规律.结果表明:芯吸土工布具有较高的水平渗透系数(2.2 cm/s)、较低的持水性和进气值(2.8 kPa),可在较低的基质吸力作用下实现水分的横向导排;降雨入渗下的土体内部水分迁移受重力势和基质势的共同作用,芯吸土工布的存在可使土层的基质吸力提高5.1~34 kPa,土工布上方土体受重力势和基质势共同驱动,水分由上向下迁移,但土工布下方的土体,基质势需要克服重力势作用,驱动水分从下向上迁移;芯吸土工布加筋土体的含水率由对照组的13.8%(小雨)~17.2%(大雨)降低至12.6%(小雨)~14.0%(大雨),可有效控制土体含水率在ωopt+2%以内,这对于保障路基路面的长期服役寿命具有重要的实践价值.
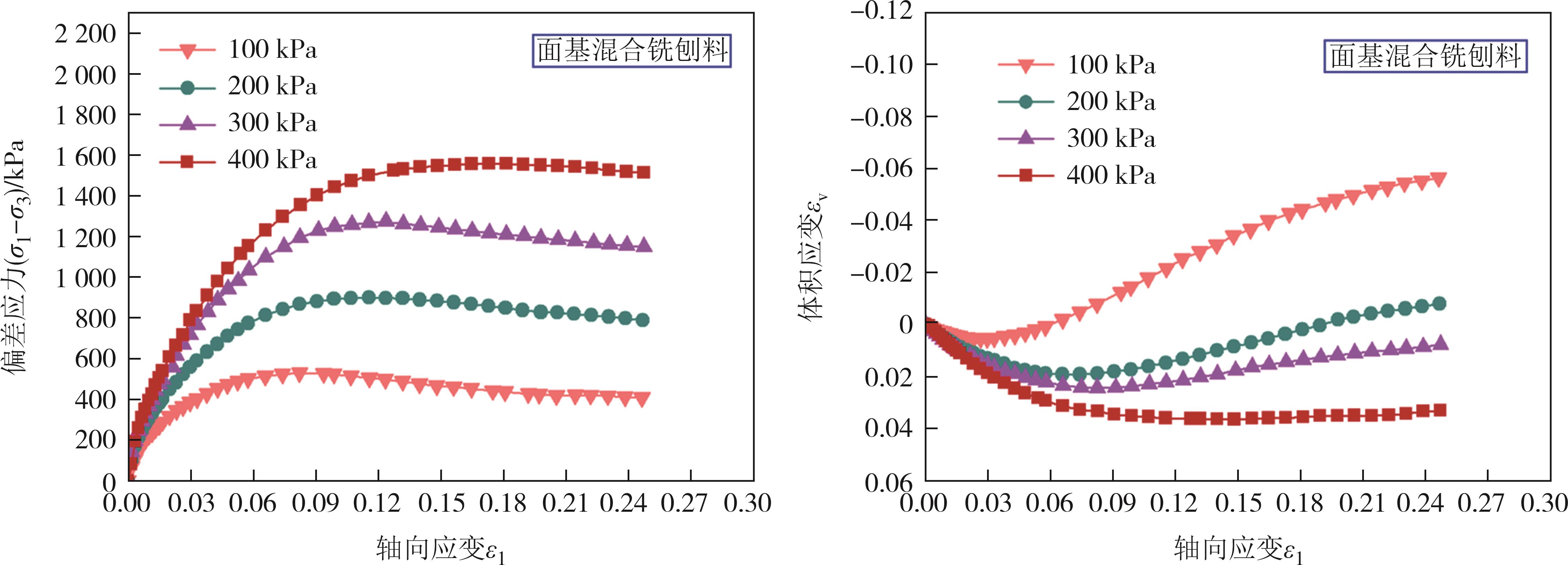
摘要:为了研究面基混合铣刨料的力学性能及其尚不明确的本构模型,在三轴试验的基础上,基于Duncan-Chang模型和Pastor-Zienkiewicz剪胀方程构建了非线性剪胀本构模型,通过应用次弹性理论推导出该本构模型的刚度矩阵,并借助ABAQUS有限元软件平台的UMAT子程序对该模型进行了二次开发,验证了模型的准确性和可靠性.此外,还对该模型的参数进行了全体敏感性分析及关键参数响应面分析.结果表明,在轴向应变为10%左右时,不同围压下两种材料的强度均逐渐达到残余强度,体积应变与轴向应变呈现出先减小后增大的趋势,且在一定范围内表现为明显的剪胀特性.利用二次开发出的UMAT子程序对三轴试验进行模拟计算,其结果与试验结果相比展现出高度的吻合度.研究指标偏差应力(σ1-σ3)受到参数φ0、Δφ、K的影响尤为突出,受参数n、φcr、α、Rf的影响则相对较弱,轴向应变ε1受参数Rf、K、φ0的影响变得显著,而n、Δφ、φcr、α的影响则显得较为有限.对(σ1-σ3)的敏感性程度由高到低次序为φ0、φ02、Δφ、φ0Δφ、KΔφ、K、K2、Δφ2、Kφ0,对ε1的敏感性程度由高到低次序为Rf、φ0、Rf2、K、Rfφ0、KRf、φ02、Kφ0、K2.通过响应面法分析比较关键参数之间交互作用,发现它们对(σ1-σ3)的具体影响程度为:φ0>Δφ>K;对ε1的具体影响程度为:Rf>φ0>K.研究成果可为面基混合铣刨料的工程应用提供理论依据及为参数选取提供参考.
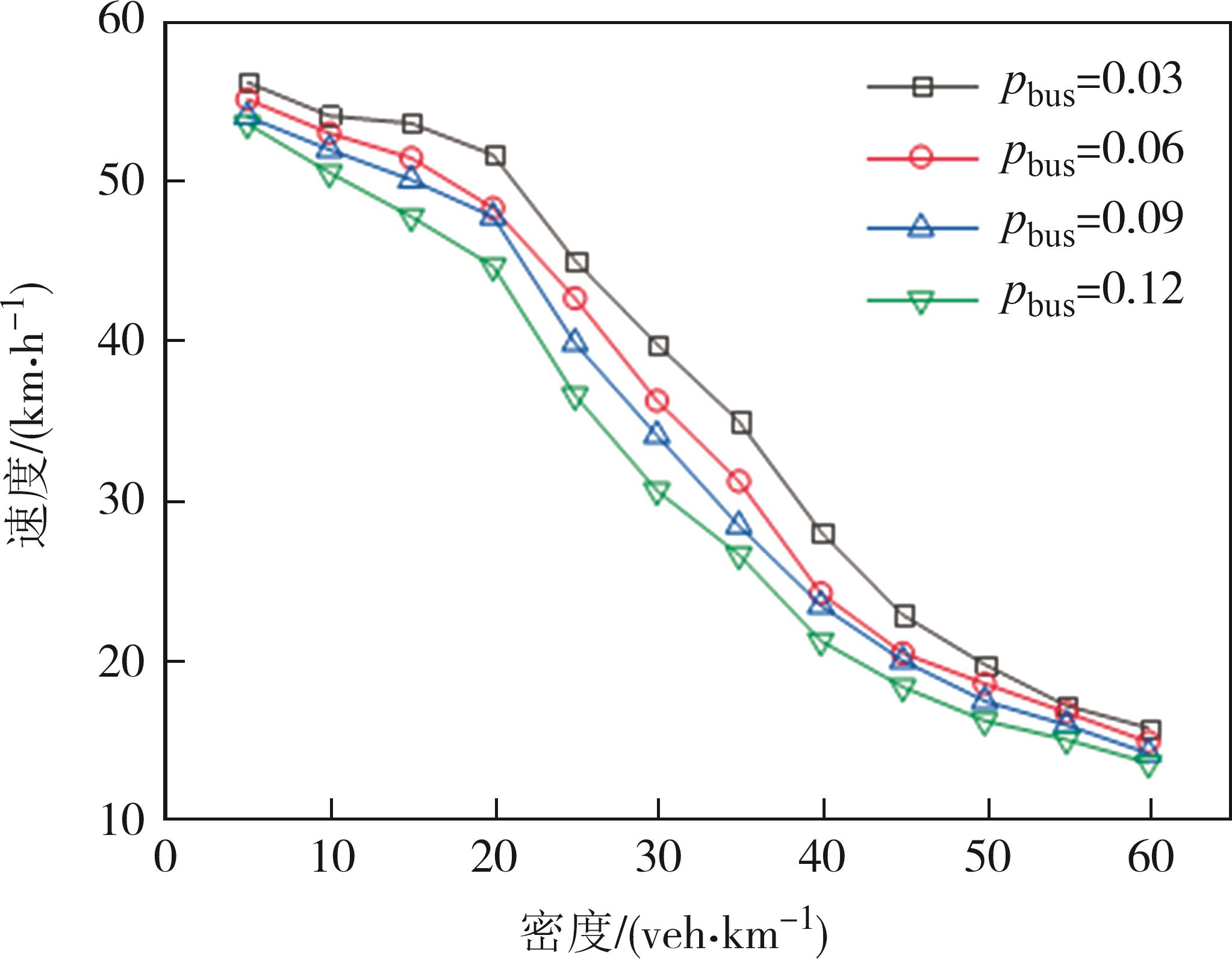
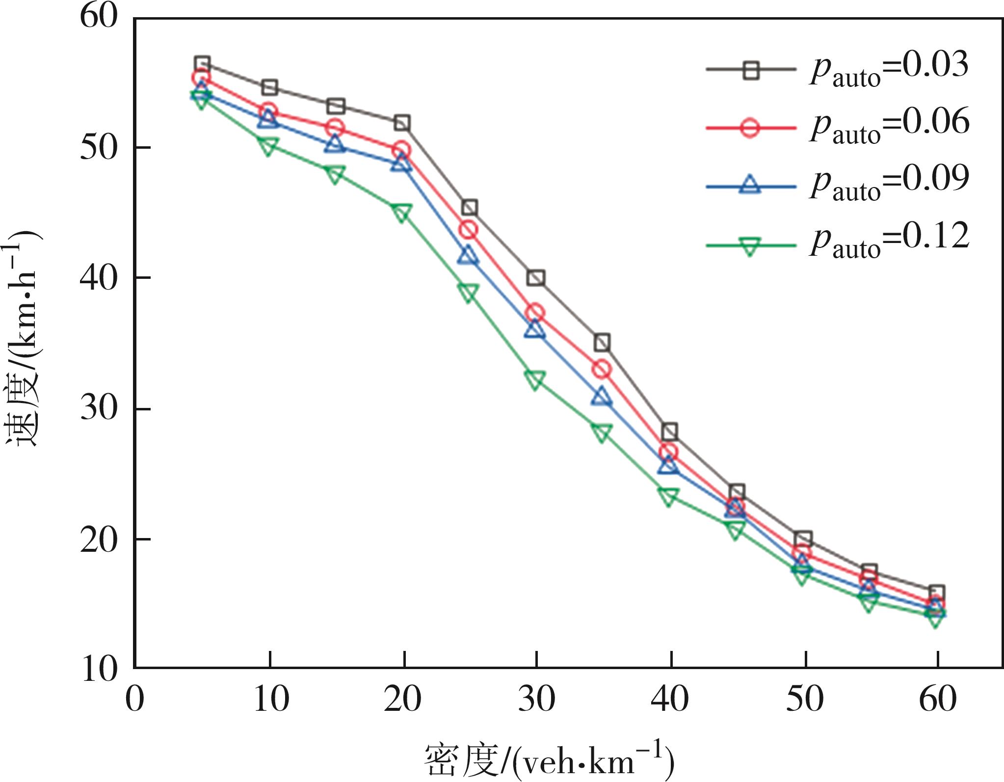
摘要:针对城市道路上自动驾驶公交车与人工驾驶小汽车混合行驶交通流中跟驰、换道和停靠等行为的特殊性,以元胞自动机理论为基础,提出了一种考虑自动驾驶公交车影响的车辆换道模型,研究含有自动驾驶公交车的混合交通流特征. 针对自动驾驶车辆行驶特性,并结合公交车在停靠站路段的行驶特征,对路段进行划分,分别构建自动驾驶公交车、常规公交车和小汽车的跟驰和换道规则,基于数值仿真实验对不同交通密度、公交车比例下的交通流特征进行了分析. 结果表明,相同的道路交通条件下,港湾式公交停靠站对道路交通干扰较小,自动驾驶公交车的换道和停靠行为对道路交通的影响小于常规公交车.
摘要:由于在承受高内水压方面具有显著的优越性,近年来预应力双层衬砌结构在输水盾构隧道中逐渐得到广泛的应用.为揭示预应力双层衬砌结构的力学特性,以珠三角水资源配置工程输水盾构隧道为原型,创新采用相似模型试验方法并结合声发射探测技术,对预应力双层衬砌结构在施工和运行全过程的内力、接触压力、位移以及损伤破坏等进行分析.试验结果表明:在拼装阶段,管片衬砌结构能够单独承担外水土压力,在预应力张拉阶段,管片衬砌和预应力衬砌均全环受压,而随着内水压的逐级施加,结构的轴压力逐渐减小,但在1.5 MPa内水压下,结构仍保持大部分区域受压;在预应力张拉阶段,管片衬砌和预应力衬砌脱开,不考虑其相互作用,在运行阶段,脱开区域闭合,两结构协调承载;随着预应力的逐级张拉,双层衬砌结构的位移线性增加,在张拉完成时,位移值和截面椭圆率分别达到1.37 mm和0.012‰,施加1.5 MPa内水压后,位移值减小至1.30 mm,截面椭圆率增加到0.20‰;在整个加载过程中,双层衬砌结构的渐进性损伤经历了初始弹性阶段和细观损伤阶段,结构内部从缺陷压密到逐渐出现损伤,但并未出现宏观裂纹,故结构处于安全状态.
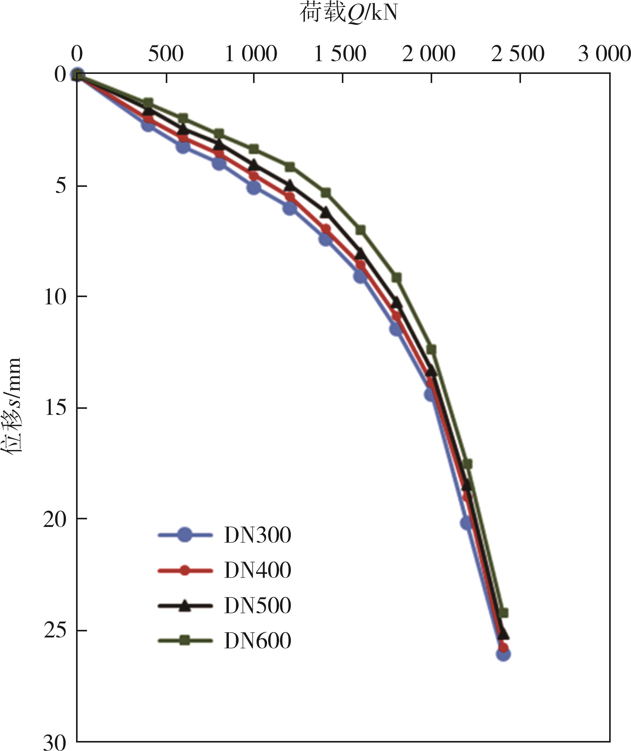
摘要:为研究扩底承载式斜支撑支护技术性能,开展了现场单桩静载试验,探究扩底斜撑在中密粉砂夹粉土持力层中的承载特性.试验发现Q-s曲线呈现缓变型发展模式,扩底斜撑呈现出典型的端承桩特性.通过开展超越试验荷载范围的三维数值模拟并进行单因素分析,确定单根扩底斜撑的承载性能影响关键设计因素.分析结果表明,应根据现场工程地质条件合理选取底端持力层,考虑钢管混凝土细长比,综合确定合理的支撑长度,在不影响工程难度和邻近工程桩安全性的条件下增大夯扩体体积可显著提升扩底斜撑的承载性能.研究结果可为扩底式斜支撑的工程应用提供计算和设计依据.
摘要:针对目前移动激光扫描获取的点云难以准确生成任意形状隧道的正射灰度影像难题开展系统研究.首先基于自主研发的TLSD(Tunnel Laser Scanning Detection)移动隧道检测系统获取隧道的点云数据,结合距离阈值法、图像增强算法、聚类算法及抽稀算法实现初始点云冗余及异常信息的有效处理;在此基础上,提出一种包含纵向和环向校准相结合的隧道正射影像生成方法,其中纵向校准方法以轨枕间距为量化基准,结合智能标注软件实现了隧道点云数据的纵向有效校准.在环向校准算法中,首先基于Douglas-Peucker隧道进行环向点云多边形拟合,随后进行投影中心转换,最后基于本文提出的定距等分法对隧道断面点云进行简化和校准,得到了与真实物理空间匹配的灰度图像,完成了任意形貌隧道正射影像的高效构建.测试结果表明,本文研发的方法可有效提高隧道关键几何信息量测及病害统计效率.其中隧道裂损、渗漏等病害量测精度达厘米级,可为隧道服役性能评判与处理提供准确的量化分析数据.
摘要:口腔诊疗过程伴随着大量喷溅颗粒物的产生,医护人员长时间暴露于高浓度颗粒物中可能会产生职业健康问题.为了对喷溅颗粒物实施高效去除进而降低医护人员暴露风险,本研究提出了一种具有长距离、高作用效益的新型涡旋排风罩.首先采用数值模拟方法,分析涡旋排风罩的流动及颗粒物去除特性,并与传统顶吸式排风罩进行对比;继而通过分析送排风速度比、水平和垂直送风角度对涡旋排风罩轴线速度、压力分布以及颗粒物去除效率的影响,探索涡旋排风罩最佳工作条件;然后在理想气流参数情况下,分析两种排风罩对不同喷溅速度的颗粒物的控制效果,探明涡旋排风罩的应用优势.结果表明,涡旋排风罩在送排风速度比为1、水平和垂直送风角度为0°时达到最佳工作条件,颗粒物去除效率可达65.9%,优于顶吸式排风罩47%的去除效率.本研究证实了涡旋排风罩在口腔诊疗中的应用潜力,为口腔诊疗过程局部源头控制提供了新方法,对诊疗微环境防控措施的构建具有参考价值.
地址: 邮政编码:410082
联系电话:0731-88822870 传真:0731-88821734 E-mail:hdxuebao@ijournals.cn
版权所有:湖南大学学报(自然科学版)中文版 ® 2026 版权所有 技术支持:北京勤云科技发展有限公司 ICP:
今日访问量: 总访问量: